Công ty Tuấn Hưng Phát phân phối độc quyền van báo động – Alarm valve hãng Wonil Hàn Quốc, giao hàng toàn quốc.
1. Đặc điểm Van báo động – Alarm Valve Hàn Quốc

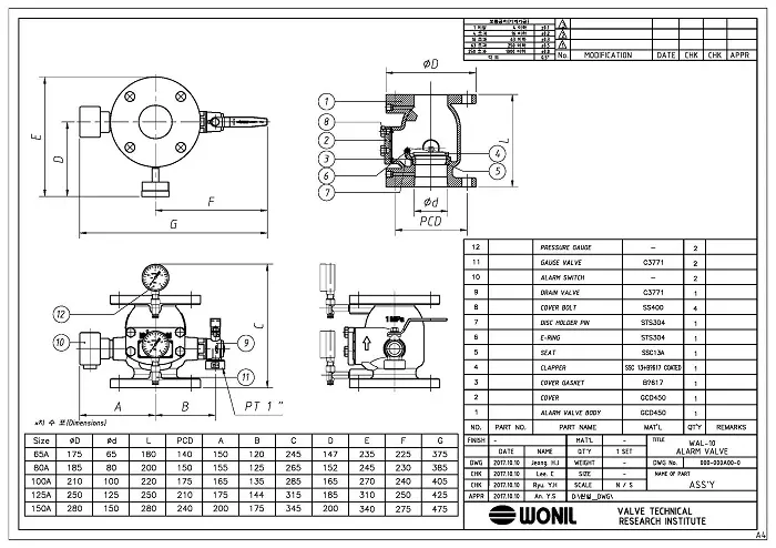
Van báo động – Alarm valve được lắp đặt sẵn trên đường ống để làm nhiệm vụ cảnh báo khi có sự cố nguy hiểm như cháy xảy ra. Đây là loại van một chiều có khả năng tự động kích hoạt để phát tín hiệu cấp đến các đầu phun nước dập lữa, đầu sensor báo khói, đầu báo cháy, tín hiệu kích hoạt van báo động của hệ thống dập lửa tự động bằng cảm biến áp lực, khí nén, …
Ngoài ra Van báo động – Alarm valve còn được lắp đặt để kiểm soát, đưa ra tín hiệu kịp thời trên các hệ thống máy móc khi có sự cố khiến một bộ nào đó tạm dừng hoạt động.
2. Thông số kỹ thuật Van báo động- Alarm valve Hàn Quốc
– Hãng và xuất xứ: Wonil- Hàn Quốc
– Model: WAL -10
– Thân van : gang dẻo
– Kiểu kết nối: lắp bích
– Tiêu chuẩn kết nối: JIS 10K
– Áp làm việc: PN16, 16bar, 16kg/cm2
– Alarm Switch: 24V
– Bảo hành 12 tháng: đổi 1 nếu lỗi của nhà sản xuất
– Tình trạng hàng hóa: có sẵn các size DN50-DN150

3. Cấu tạo và lưu ý khi lắp đăt van báo động – Alarm valve Hàn Quốc
a) Cấu tạo bên trong van báo động – Alarm valve Hàn Quốc

b) Lưu ý khi cài đặt van báo động- Alarm Valve
– Không tháo rời bộ cảm biến tín hiệu báo động đã được cài đặt.
– Không tháo rời hộp chuyển đổi bên ngoài bởi vì nó sử dụng thiết bị báo động kiểu cảm biến mà không có tiếp xúc.
– Khi lắp đặt lưu ý các công tắc và van xả.



BÌNH LUẬN TRÊN FACEBOOK
Hỗ trợ cài bình luận facebook vào webiste nếu khách mong muốn