1. Hình ảnh van cổng DN100

2. Định nghĩa van cổng Dn100
Van cổng DN100 hay còn gọi là van cửa: là van cản trở toàn bộ dòng chảy của vật chất khi ở vị trí đóng, thường được đặt nằm chắn ngang đường ống, dòng chảy đi qua van là dòng chảy thẳng hướng. Khi van mở, cửa không nằm trong dòng chảy, mức độ cản trở dòng chảy của van rất thấp. Hiện tượng tạo xoáy, sụt áp, mất năng lượng khi dòng chảy của vật chất đi qua vì thế cũng rất ít khả năng phát sinh.

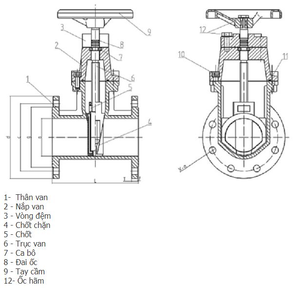
3. Chi tiết van cửa DN100
– Kích cỡ: DN100
– Áp lực: PN16
– Nhiệt độ: – 5ºC – 110ºC
– Hãng sản xuất: AUT-ARV-Emico-Samwoo
– Xuất xứ: Korea, Malaysia, Taiwan
>>> Xem thêm: Van cổng DN125


BÌNH LUẬN TRÊN FACEBOOK
Hỗ trợ cài bình luận facebook vào webiste nếu khách mong muốn