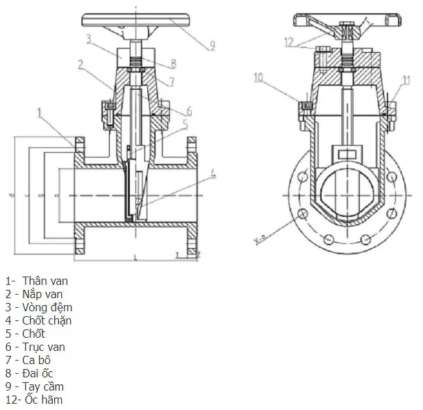
1. Hình ảnh van cổng DN125

Van cổng DN125 dùng cho các đường ống có cùng bán kính Dn125 dùng cho các nhà máy, xí nghiệp, khu công nghiệp.v.v
2. Thông số kỹ thuật van cổng DN125
– Kích cỡ: DN125- Phi 141- 5″
– Thân van: gang, inox
– Cánh van: thép, cao su, inox
– Kết nối: lắp bích
– Tiêu chuẩn kết nối: BS- JIS 10K,…
– Áp lực làm việc: PN10, PN16, PN25
– Xuất xứ: Hàn Quốc, Trung Quốc, Malaysia
– Bảo hành 12 tháng

>>> Tham khảo thêm: Van cổng DN50 | Van cổng DN150


BÌNH LUẬN TRÊN FACEBOOK
Hỗ trợ cài bình luận facebook vào webiste nếu khách mong muốn