1. Hình ảnh van cổng DN200

2. Định nghĩa van cổng Dn200
Van cổng Dn200 hay còn gọi là van cửa: là van cản trở toàn bộ dòng chảy của vật chất khi ở vị trí đóng, thường được đặt nằm chắn ngang đường ống, dòng chảy đi qua van là dòng chảy thẳng hướng. Khi van mở, cửa không nằm trong dòng chảy, mức độ cản trở dòng chảy của van rất thấp. Hiện tượng tạo xoáy, sụt áp, mất năng lượng khi dòng chảy của vật chất đi qua vì thế cũng rất ít khả năng phát sinh.

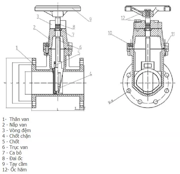
3. Chi tiết van cửa DN200
– Kích cỡ: DN200
– Áp lực: PN16
– Nhiệt độ: – 5ºC – 110ºC
– Hãng sản xuất: AUT-ARV-Emico-Samwoo
– Xuất xứ: Korea, Malaysia, Taiwan
>>> Tham khảo thêm: Van cổng DN250


BÌNH LUẬN TRÊN FACEBOOK
Hỗ trợ cài bình luận facebook vào webiste nếu khách mong muốn