1. Định nghĩa van cổng đồng
Van cổng đồng là một dòng van có chức năng đóng ngắt dòng chảy được sử dụng chủ yếu trong lĩnh vực đường ống cấp và thoát nước, nó sử dụng chất liệu chủ yếu là đồng cùng tiêu chuẩn nối ren
Khác với van cổng inox hay van cổng gang, dòng van cửa đồng có giá thành tương đối rẻ và chủ yếu được sử dụng trong nước sạch hay nước nóng không quá 70 độ C, sản phẩm được nhập khẩu chủ yếu từ nước ngoài đạt chuẩn quốc tế.
2. Hình ảnh về van cổng đồng

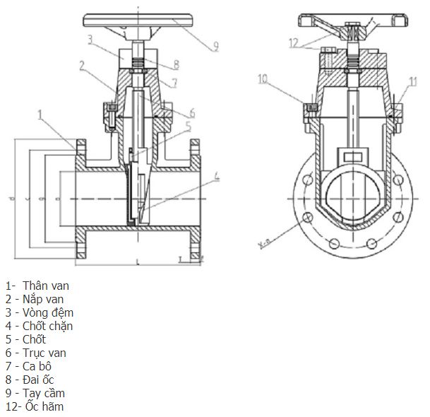
2. Cấu tạo của van cổng đồng

3.Tính năng van cửa đồng
– Van cổng đồng có khả năng dẫn nước nóng lên đến 95°C.
– Công nghệ hàn nhiệt và các đầu nối ren được làm bằng đồng nguyên chất mạ Crôm, đảm bảo các mối nối tuyệt đối kín, độ bền cao.
– Không bị đóng cặn, oxy hóa hoặc rò rỉ. Chịu được lực tác động mạnh, áp suất lớn và tuổi thọ cao.
– Dẫn nước sạch, không gây độc hại, đảm bảo vệ sinh an toàn thực phẩm.
4. Thông tin sản phẩm van cổng đồng
– Kích thước: DN15, DN20, DN25, DN32, DN40, DN50
– Vật liệu: đồng thiếc.
– Áp lực: 16bar
– Nhiệt độ làm việc: max 120độ C
5.Video cấu tạo và nguyên lý hoạt động của van cổng
Bảo hành: 12 tháng ( đổi 1 nếu do lỗi nhà sản xuất)
CAM KẾT:
- Đúng nguồn gốc xuất xứ, đủ các chứng từ nhập khẩu.
- Đảm bảo chất lượng theo tiêu chuẩn về chất lượng sản phẩm.
- Tiến hành giao nhận đúng thời hạn.
- Giá cả cạnh tranh.



BÌNH LUẬN TRÊN FACEBOOK
Hỗ trợ cài bình luận facebook vào webiste nếu khách mong muốn