1. Hình ảnh van cổng DN80

Chúng tôi có sản phẩm van cổng bao gồm van công ty nổi , van cổng ty chìm, van cổng dao, van cổng tín hiệu điện tất cả các kích cỡ DN50 và DN65, DN80, DN100, DN125, DN150, DN200, DN250, DN300
2. Định nghĩa van cổng – van cửa
Van cổng hay còn gọi là van cửa: là van cản trở toàn bộ dòng chảy của vật chất khi ở vị trí đóng, thường được đặt nằm chắn ngang đường ống, dòng chảy đi qua van là dòng chảy thẳng hướng. Khi van mở, cửa không nằm trong dòng chảy, mức độ cản trở dòng chảy của van rất thấp. Hiện tượng tạo xoáy, sụt áp, mất năng lượng khi dòng chảy của vật chất đi qua vì thế cũng rất ít khả năng phát sinh.
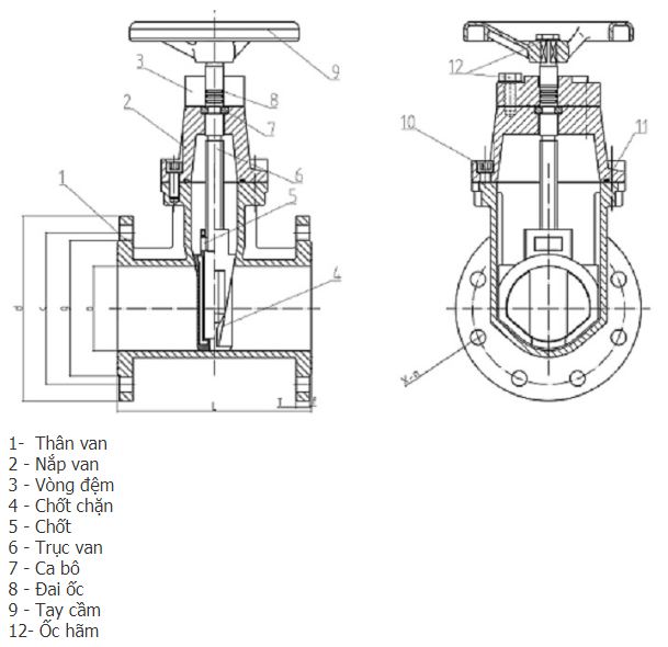
- Cấu tạo van cổng:

3. Chi tiết van cửa DN80
– Kích cỡ: DN80
– Áp lực: PN16
– Nhiệt độ: – 5ºC – 110ºC
– Hãng sản xuất: AUT-ARV-Emico-Samwoo
– Xuất xứ: Korea, Malaysia, Taiwan
- Vật liệu:
VAN CỔNG GANG
Van cổng đồng
Van cổng inox
* Bảo hành 12 tháng 1 đổi 1 nếu lỗi do nhà sản xuất.
Tất cả các sản phẩm do Tuấn Hưng Phát cung cấp đảm bảo chính hãng, đầy đủ chứng từ kèm theo như: CO, CQ, PKL, vận đơn…
Tuấn Hưng Phát là nhà cung cấp phân phối van công nghiệp hàng đầu tại Việt Nam, kho hàng lớn với đầy đủ các sản phẩm: vanbi, van bướm, van cổng, van điện từ, van giảm áp, van một chiều, van điều khiển điện, van điều khiển khí nén… luôn có sẵn. Bạn đang có nhu cầu tìm mua loại van này vui lòng liên hệ theo thông tin dưới đây.
>>> Tham khảo thêm sản phẩm khác: Van cổng DN100





BÌNH LUẬN TRÊN FACEBOOK
Hỗ trợ cài bình luận facebook vào webiste nếu khách mong muốn