1. Hình ảnh van cổng cỡ lớn DN350-DN800

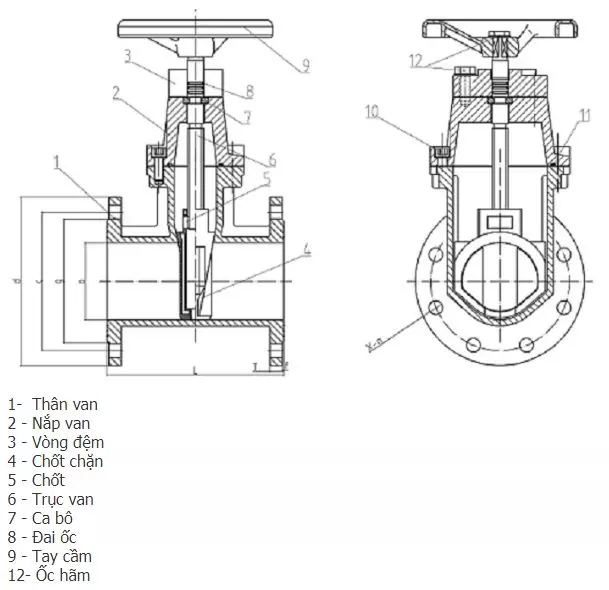
2. Cấu tạo van cổng cỡ lớn DN350-DN800
– Van cổng về cơ bản được cấu tạo bởi các thành phần sau:

3. Thông số và kích cỡ van cổng kích cỡ lớn DN350-DN800
– Size: DN350- DN400- DN500- DN550- DN600- DN700-DN800
– Thân van: Gang cầu, gang dẻo, inox 201- 304
– Cửa van: thép, inox. cao su…
– Áp lực làm việc: PN16, PN10
– Nhiệt độ làm việc: max 80 độ, mã 150 độ,…
– Kết nối: mặt bích JIS, BS, ANSI
– Xuất xứ: Hàn Quốc, Malaysia,…
– Bảo hành 12 tháng, đổi 1 nếu lỗi nhà sản xuất

Xem thêm: Van cổng dn250


BÌNH LUẬN TRÊN FACEBOOK
Hỗ trợ cài bình luận facebook vào webiste nếu khách mong muốn