1. Hình ảnh van cổng DN50

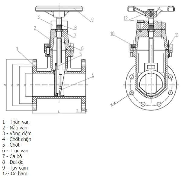
2. Định nghĩa và cấu tạo van cổng hay van cửa DN50
Van cổng Dn50 hay còn gọi là van cửa: là van cản trở toàn bộ dòng chảy của vật chất khi ở vị trí đóng cửa van đặt nằm chắn ngang đường ống, dòng chảy đi qua van là dòng chảy thắng hướng. Khi van mở cửa van không nằm trong dòng chảy, mức độ cản trở dòng chảy của van rất thấp. Hiện tượng tạo xoáy, sụt áp, mất năng lượng khi dòng chảy qua van vì thế cũng rất ít khả năng phát sinh.

4. Thông số kỹ thuật của van cửa DN50
– Kích cỡ: DN50
– Kết nối: lắp bích tiêu chuẩn JIS, BS, DIN
– Vật liệu:gang, thép
– Môi trường làm việc: chất lỏng, chất thải
– Áp lực làm việc: PN16
– Nhiệt độ làm việc: tối đa 80độ C
– Hãng sản xuất: Wonil, Samwoo,KBV, AUT,ARV, Emico
– Xuất xứ: Hàn Quốc, Malaysia, Thổ Nhỉ Kỳ, Trung Quốc
– Bảo hành: 12 tháng (đổi 1 nếu lỗi nhà sản xuất)
– Hàng luôn có sẵn với số lượng lớn
Xem thêm: Van cổng DN65


BÌNH LUẬN TRÊN FACEBOOK
Hỗ trợ cài bình luận facebook vào webiste nếu khách mong muốn